Images and movies from the Nature article data set

The images and movies on this page are the most highly resolved solar images ever taken. The observations were made with the Swedish 1-meter Solar Telescope (SST) by Göran B. Scharmer, Boris V. Gudiksen, Dan Kiselman, Mats G. Löfdahl, and Luc H. M. Rouppe van der Voort.

All images are free for publication. Please credit the Royal Swedish Academy of Sciences unless personal credit information is stated for a particular image. Here is the name of the academy in a couple of languages: Swedish: Kungl. Vetenskapsakademien. German: Die Königlich Schwedische Akademie der Wissenschaften. French: L'Académie Royale des Sciences de Suède. Spanish: Real Academia de Ciencias de Suecia.

Contact Mats Löfdahl if you have problems reading or displaying the image or movie files.



Images

Whole Sun

Solar disc Whole solar disk to show sunspot group size. The diameter of the Sun is 100 times larger than the diameter of the Earth. The image was recorded with our finder telescope at about the same time as the 15 July images and movies below.

Color GIF.


Sunspot group

Large FOV Large field-of-view image of sunspots in Active Region 10030 observed on 15 July 2002. The image has been colored yellow for aesthetic reasons: GIF, TIFF. (4 Mbyte, 2009×1924 pixels.)

Similar to above but smaller file and with tickmarks: GIF with tickmarks, TIFF with tickmarks. (1 Mbyte, 986×1006 pixels.) The distance between two ticks is 1000 km.

Same as above but B/W: GIF, GIF with tickmarks.


Penumbra

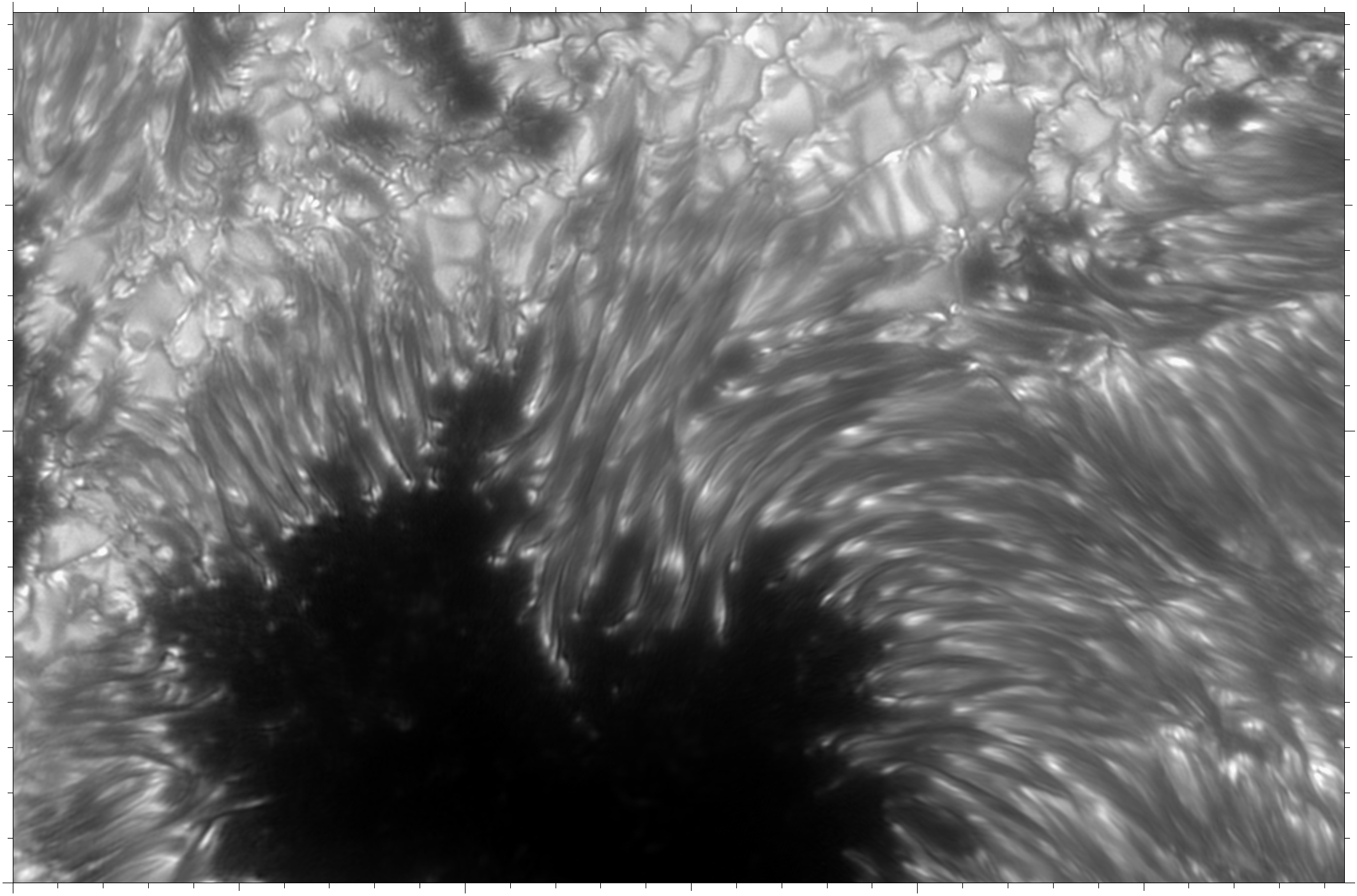
Fig 1 Part of the largest sunspot in Active Region 10030 recorded on 15 July 2002 with the Swedish 1-m Solar Telescope on La Palma. This image was post-processed with the so-called Phase-Diversity Technique, making it the highest-resolution solar image ever. The tickmarks around the edge of the image is there to show the scale. The distance between two ticks is 1000 km. The central part of the sunspot ("the umbra") looks dark because the strong magnetic fields there stop upwelling hot gas from the solar interior. The thread-like structures surrounding the umbra make up the penumbra. Dark cores are clearly visible in some of the bright penumbral filaments that stick out into the umbra.

Color for aesthetic reasons, large: GIF, TIFF. (3 Mbyte, 2125×1404 pixels - will make a 18×12 cm image at 300 dpi.)

B/W, large: GIF, JPEG, TIFF.

B/W, small: JPEG, TIFF, GIF. (1 Mbyte, 992×1494 pixels - will make a 8.4×12.6 cm image at 300 dpi.)

Color, small: GIF.

B/W, different contrast, small: GIF, JPEG, TIFF.


Details

Dark core filament Sample dark core filament. 100 km tick marks. Color GIF. B/W GIF.

Fig 3 Examples of new kinds of solar structures found in or near sunspots with the Swedish 1-m Solar Telescope on La Palma. Panels a, b, and c show small sunspots ("pores") that have thin dark lines around their edges - dubbed "hairs". The surrounding solar surface show dark lines we call "canals". Panel d shows penumbral filaments with dark cores and one of the filaments seems to be twisted. The tickmarks around the edge of the images show the scale. The distance between two ticks is 1000 km.

Color: GIF, TIFF. (300 kbyte, 576×588 pixels - will make a 4.9×5.0 cm figure at 300 dpi.)

B/W: GIF, TIFF.



Movies

The movies all show parts of the largest sunspot of Active Region 10030 observed on 15 July 2002 with the Swedish 1-m Solar Telescope on La Palma. The tickmarks around the edge of the view are there to show the scale. The distance between two ticks is either 1000 km or 100 km as indicated. The numbers in the upper right corner indicates the time since the start of the movie.

The movies should be readable in a QuickTime movie player. They show the evolution of the features on the sun at a compressed time scale. It is advisable to adjust the frame rate so that it is not too fast. Since the movies are short, it is convenient to show them as an endless loop - the beginning of the sequence is then marked by a jump in the movie.
Note that the movies may look jerky on some computers which do not cope with the data flow. The solution is to command the movieplayer so that it shows all frames.

The first movie shows the full view. It has 76 frames, the total duration corresponds to 27:39 minutes on the Sun.

Movies of subfields. Each has 206 frames and the duration corresponds to 1 hour and 15 minutes on the Sun.

Images of the Swedish 1-m Solar Telescope on La Palma

Please click on the images for larger versions. We will add more images here over the next few days.

Telescope tower The Swedish 1-m Solar Telescope on La Palma. Photographed by Göran Scharmer.

Turret with side-view of lensThe Swedish 1-m Solar Telescope on La Palma. The sun is shining sideways through the edge of the 1-m lens. Photographed by Dan Kiselman.
Telescope drawingThe Swedish 1-m Solar Telescope on La Palma. Blueprint by Klas Bjelksjö.
Swedish 1-m Solar
Telescope (SST)The Swedish 1-m Solar Telescope on La Palma. Photographed by Göran Scharmer.

The Swedish 1-m Solar Telescope on La Palma. Mats Löfdahl after opening the telescope. Photographed by Dan Kiselman.

The Swedish 1-m Solar Telescope on La Palma. Photographed by Dan Kiselman.

The Swedish 1-m Solar Telescope on La Palma. Mats Löfdahl inspecting 1-m lens. Photographed by Dan Kiselman.

The Swedish 1-m Solar Telescope on La Palma. Mats Löfdahl observing. Photographed by Dan Kiselman.

The Swedish 1-m Solar Telescope on La Palma. Photographed by Dan Kiselman.

The Swedish 1-m Solar Telescope on La Palma. Photographed by Dan Kiselman.

The Swedish 1-m Solar Telescope on La Palma. Optics lab in basement during observations. Photographed by Dan Kiselman.

The Swedish 1-m Solar Telescope on La Palma. Photographed by Dan Kiselman.

The Swedish 1-m Solar Telescope on La Palma. Photographed by Dan Kiselman.

The Swedish 1-m Solar Telescope on La Palma. Photographed by Dan Kiselman.

The Swedish 1-m Solar Telescope on La Palma. Top of Schupmann corrector tube. Photographed by Dan Kiselman.

The Swedish 1-m Solar Telescope on La Palma. Photographed by Dan Kiselman.

The Swedish 1-m Solar Telescope on La Palma. Photographed by Dan Kiselman.

The Swedish 1-m Solar Telescope on La Palma together with the DOT and the WHT. Photographed by Dan Kiselman.

The Swedish 1-m Solar Telescope on La Palma. Photographed by Dan Kiselman.

The Swedish 1-m Solar Telescope on La Palma. Photographed by Dan Kiselman.

The Swedish 1-m Solar Telescope on La Palma. Photographed by Dan Kiselman.

The Swedish 1-m Solar Telescope on La Palma. Closed for the night. Photographed by Dan Kiselman.

The Swedish 1-m Solar Telescope on La Palma. Photographed by Dan Kiselman.

The Swedish 1-m Solar Telescope on La Palma. Great smile sits on Dan Kiselman's face. Photographed by Mats Löfdahl.


Time-stamp: <2013-04-19 11:08:51 mats>